مشخصات TL082 (نسخه نظامی)
TL082 نسخه نظامی یک آیسی تقویتکننده عملیاتی دوگانه (Dual JFET Input Op-Amp) است که برای کار در شرایط دمایی و محیطی سخت طراحی شده است. این آیسی دارای ورودی JFET با امپدانس بسیار بالا، جریان بایاس ورودی کم، و سرعت پاسخ بالا میباشد. در سیستمهای نظامی، هوافضا و تجهیزات صنعتی سنگین مورد استفاده قرار میگیرد. ویژگیهای فنی براساس دیتاشیت نظامی به شرح زیر میباشد:
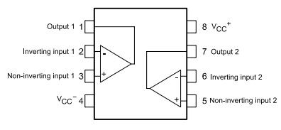
• پکیج: DIP-8
• نوع نصب روی برد: Through Hole
• Function: Dual JFET Input Operational Amplifier
• Logic Type: Analog Linear IC
• ولتاژ تغذیه: ±3V تا ±18V (یا 6V تا 36V تکمنبعی)
• جریان تغذیه: حدود 2.8mA برای هر آمپلیفایر
• پهنای باند (Gain Bandwidth Product): حدود 3MHz
• Slew Rate: حدود 13V/µs
• ولتاژ Offset ورودی: حدود 3mV (حداکثر 10mV)
• امپدانس ورودی: حدود 10¹²Ω
• نوع خروجی: Push-Pull
• نویز ورودی: حدود 18nV/√Hz در 1kHz
• دمای کاری: −55°C تا +125°C
• تعداد تقویتکنندهها: 2 عدد (Dual Op-Amp)
• کاربردها: سیستمهای نظامی، ابزار دقیق، هوافضا، فیلترهای اکتیو و مدارهای تقویت صوتی مقاوم
شکیبا باشید ...
